AG旗舰厅
首 页
走进AG旗舰厅
新闻通告
产品先容
乐成案例
手艺与研究
联系AG旗舰厅
搜索
热线:0813-6280463
Menu
搜索
热线:0813-6280463
首 页
走进AG旗舰厅
新闻通告
产品先容
乐成案例
手艺与研究
联系AG旗舰厅
新闻通告
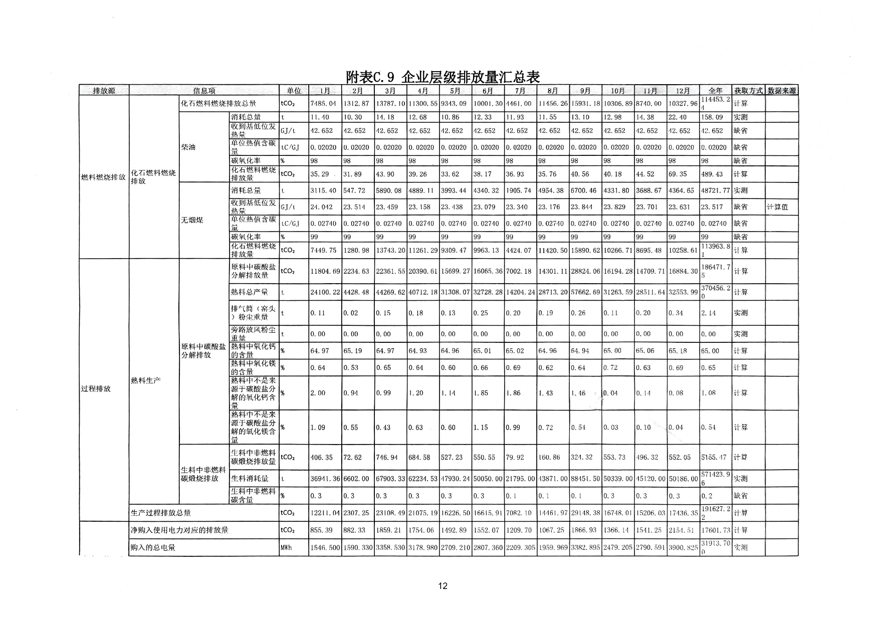
2024年10月企业温室气体排放报告
泉源:未知 时间:2024-10-05 14:58 浏览次数:次
上一篇:
2024年排污允许证执行报告
下一篇:
辐射清静允许证
网站地图